當前位置:
首頁>
產品展示>
氣動閥門>
氣動蝶閥>
氣動蝶閥(多層次硬密封)
氣動蝶閥(多層次硬密封)
詳情介紹
氣動蝶閥(多層次硬密封)產品說明

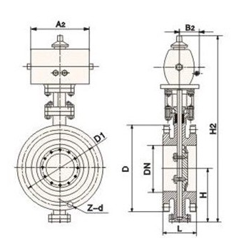
氣動蝶閥(多層次硬密封)D643H是長壽命、節能型蝶閥。其結構采用三維編心原理設計,閥座采用硬軟密封兼容的多層次結構,加工精湛,工藝先進。本產品由閥體、蝶板、多層次閥座、閥桿、傳動機構等主要部件組成。因此被廣泛地應用到冶金、電力、石油、化工、空氣、煤氣、可燃氣體以及給排水等腐蝕性介質的管道上。
氣動蝶閥(多層次硬密封)參數
| 公稱通徑 | DN(mm) | 50~2000 | 50~500 | |||
| 公稱壓力 | PN(MPa) | 0.6 | 1.0 | 1.6 | 2.5 | 4.0 |
| 試驗壓力 | 強度試驗 | 0.9 | 1.5 | 2.4 | 3.75 | 6.0 |
| 密封試驗 | 0.66 | 1.1 | 1.76 | 2.75 | 4.4 | |
| 氣密封試驗 | 0.6 | 0.6 | 0.6 | 0.6 | 0.6 | |
| 滲漏率 | <0.1×DNmm3/s(符合GB/T13927-92標準) | |||||
| 適用溫度 | 碳鋼:-29℃~425℃ 不銹鋼-40℃~600℃ | |||||
| 適用介質 | 空氣、水、蒸氣、煤氣、油品以及酸、堿、鹽帶有弱腐蝕性介質等 | |||||
| 驅動形式 | 蝸桿蝸輪傳動、氣傳動、電傳動 | |||||
氣動蝶閥(多層次硬密封)材質
| 零件名稱 | 材料 |
| 閥體 | 鑄鐵、不銹鋼、鉻鉬鋼、合金鋼 |
| 蝶板 | 鑄鋼、合金鋼、不銹鋼、鉻鉬鋼 |
| 密封圈 | 不銹鋼與耐高溫石棉板組合成多層次 |
| 閥桿 | 2Cr13、1Cr13不銹鋼、鉻鉬鋼 |
| 軸承 | 奧氏體不銹鋼、304氮化 |
| 填料 | 柔性石墨 |
氣動蝶閥(多層次硬密封)連接尺寸
